Ê cu hàn 4 chân inox và tiêu chuẩn sản xuất Ê cu hàn 4 chân DIN 928
Giới thiệu tiêu chuẩn DIN
Bu lông inox tại thị trường Việt Nam chủ yếu được sản xuất theo tiêu chuẩn DIN, ví dụ như bu lông Din 933, Din 931, Din 912, Din 7380, Din 7991, Din 603, Din 316, Din 444-B… Ê cu Din 934, Din 929, Din 928…Long đen Din 125, Din 127 và rất nhiều loại khác cũng có tiêu chuẩn Din. Vậy tiêu chuản Din là gì, chúng ta cùng tìm hiểu ở bài viết dưới đây.
Viện Tiêu chuẩn Đức, viết tắt là DIN theo tiếng Đức “Deutsches Institut für Normung e.V.”, là tổ chức quốc gia Đức về tiêu chuẩn hóa và là thực thể thành viên ISO Đức.
DIN được thành lập ngày 22/12/1917 với tên ban đầu là “Uỷ ban Tiêu chuẩn của ngành công nghiệp Đức” (tiếng Đức: Normenausschuß der deutschen Industrie). Năm 1926 đã đổi tên lần đầu tiên thành “Ủy ban Tiêu chuẩn Đức” (tiếng Đức: Deutscher Normenausschuß), để chỉ ra rằng các lĩnh vực làm việc không còn giới hạn trong ngành công nghiệp. Năm 1975 một hợp đồng giữa tổ chức tiêu chuẩn này và chính phủ Cộng hòa Liên bang Đức cho ra tên gọi như hiện nay.
Ngày nay DIN là một Hiệp hội đã đăng ký Đức (e.V.) có trụ sở tại Berlin. Hiện tại có khoảng 30.000 Tiêu chuẩn DIN, bao gồm gần như tất cả các lĩnh vực công nghệ.
Tiêu chuẩn DIN là kết quả của công việc ở cấp quốc gia, châu Âu và / hoặc quốc tế. Bất kỳ ai cũng có thể gửi đề xuất cho một tiêu chuẩn mới. Sau khi được chấp nhận, dự án tiêu chuẩn được thực hiện theo các quy tắc đã định của Ủy ban tiêu chuẩn DIN liên quan, Ủy ban kỹ thuật liên quan của tổ chức tiêu chuẩn Châu Âu CEN (CENELEC cho các tiêu chuẩn kỹ thuật điện) hoặc ủy ban liên quan của tổ chức tiêu chuẩn quốc tế ISO (IEC cho các dự án kỹ thuật điện).
Tất cả các bên liên quan đều có thể tham gia vào công việc này, bao gồm nhà sản xuất, người tiêu dùng, doanh nghiệp, viện nghiên cứu, cơ quan công quyền và cơ quan kiểm nghiệm. Họ cử các chuyên gia đại diện cho lợi ích của họ trong các cơ quan làm việc của DIN, được giám sát bởi khoảng 70 ủy ban tiêu chuẩn, mỗi ủy ban chịu trách nhiệm về một lĩnh vực chủ đề cụ thể. Đối với công việc ở cấp độ châu Âu và quốc tế, các ủy ban tiêu chuẩn DIN cử các chuyên gia đại diện cho các lợi ích của Đức trong phạm vi CEN và ISO. Các nhân viên của DIN điều phối quá trình tiêu chuẩn hóa và chịu trách nhiệm quản lý tổng thể dự án, đảm bảo tính đồng bộ và nhất quán của bộ sưu tập tiêu chuẩn Đức.
Các tiêu chuẩn được phát triển với sự đồng thuận hoàn toàn, tức là chúng được phát triển bởi các chuyên gia với mục đích đi đến một quan điểm chung, xem xét hiện đại.
Tiêu chuẩn DIN được xem xét ít nhất năm năm một lần. Nếu một tiêu chuẩn không còn phản ánh tình trạng hiện tại của công nghệ, tiêu chuẩn đó sẽ được sửa đổi hoặc thu hồi.
Sự khác biệt giữa các tiêu chuẩn Din, En, Iso
Sự khác biệt giữa các tiêu chuẩn này giúp chúng ta có được cái nhìn sâu sắc về sự khác biệt giữa các tiêu chuẩn DIN, EN và ISO!
Tại đây, bạn có thể tìm thấy thông tin về những thay đổi nào đã được thực hiện đối với tiêu chuẩn sản phẩm tương ứng và những khác biệt giữa tiêu chuẩn DIN, EN và ISO mà điều này đã gây ra. Xem tổng quan và sử dụng so sánh trực tiếp rõ ràng các tiêu chuẩn DIN đã rút và các tiêu chuẩn EN và ISO hiện hành.
Trước đây, công việc tiêu chuẩn hóa ở Đức được thực hiện ở cấp quốc gia bởi Deutsches Institut für Normung e. V. (DIN). Ở cấp độ Châu Âu cũng có các tiêu chuẩn EN, cũng như các tiêu chuẩn ISO ở cấp độ quốc tế, được ban hành bởi Tổ chức Tiêu chuẩn hóa Quốc tế.
Sự khác biệt
Tiêu chuẩn DIN
Các tiêu chuẩn quốc gia (DIN) đang được thay thế phần lớn bằng các tiêu chuẩn quốc tế và châu Âu. Tiêu chuẩn DIN hiện chỉ được ban hành cho các sản phẩm không có tiêu chuẩn ISO hoặc EN
Tiêu chuẩn ISO
Phù hợp với nhiệm vụ và mục tiêu của ISO được thành lập năm 1946, các tiêu chuẩn quốc tế (ISO) nhằm tiêu chuẩn hóa các quy tắc kỹ thuật trên toàn thế giới, do đó đơn giản hóa việc trao đổi hàng hóa và xóa bỏ các rào cản thương mại.
Tiêu chuẩn EN
Mục đích của tiêu chuẩn Châu Âu (EN) là hài hòa các quy tắc kỹ thuật và luật pháp trong một thị trường Châu Âu duy nhất được thành lập chung vào ngày 01/01/1993. Trong chừng mực có thể, các tiêu chuẩn ISO hiện hành thường phải được chấp nhận như các tiêu chuẩn EN ở dạng không thay đổi. Sự khác biệt giữa các tiêu chuẩn ISO và EN là, theo quyết định của Hội đồng Châu Âu, các tiêu chuẩn EN phải được thông qua và thực hiện ngay lập tức và không có bất kỳ thay đổi nào như các tiêu chuẩn quốc gia ở các quốc gia thành viên, đồng thời, các tiêu chuẩn quốc gia tương ứng phải được rút lại.
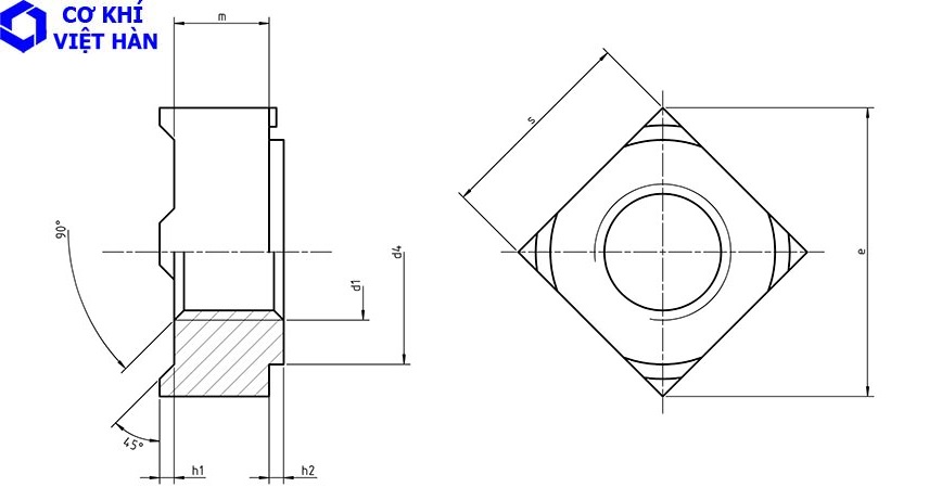
Giới thiệu tiêu chuẩn DIN 928 sản xuất Ê cu hàn 4 chân inox

| Thread d1 | b | d2 | d3 | d4 | e | h1 | h2 | m | s | Weight (7,85kg/dm3) kg/1000pcs | ||||
| tolerance | H113 | max. | min. | min. | ±0,1 | min. | max | h14 | h14 | |||||
| M4 | – | – | 0,8 | ±0,15 | 5 | 4,2 | 6,4 | 9 | 0,6 | 0,4 | 1,3 | 3,5 | 7 | 0,81 |
| M5 | – | – | 1 | 6 | 5,25 | 8,2 | 12 | 0,8 | 0,6 | 1,5 | 4,2 | 9 | 1,7 | |
| M6 | – | – | 1,2 | 7,5 | 6,3 | 9,1 | 13 | 0,8 | 0,7 | 1,8 | 5 | 10 | 2,4 | |
| M8 | M8x1 | – | 1,5 | 10 | 8,4 | 12,8 | 18 | 1 | 1,1 | 2 | 6,5 | 14 | 6,5 | |
| M10 | M10x1,25 | M10x1 | 1,8 | ±0,2 | 12,5 | 10,5 | 15,6 | 22 | 1,2 | 1,25 | 2,2 | 8 | 17 | 11,3 |
| – | – | 7/16-20 UNF-2B | 1,8 | 12,5 | 11,7 | 15,6 | 22 | 1,2 | 1,25 | 2,2 | 9 | 17 | 12,5 | |
| – | – | 7/16-20 UNF-2B | 2 | 13,5 | 11,7 | 17,4 | 25 | 1,4 | 1,75 | 3 | 9 | 19 | 16,5 | |
| M12 | M12x1,25 | M12x1,5 | 2 | 13,5 | 12,6 | 17,4 | 25 | 1,4 | 1,75 | 3 | 9,5 | 19 | 16,6 | |
| (M14) | (M14x1,5) | – | 2,5 | 16,8 | 14,7 | 20,4 | 28 | 1,4 | 1,75 | 3,2 | 11,4 | 22 | 26,7 | |
| (M16) | (M16x1,5) | – | 2,5 | 18,8 | 16,8 | 22,4 | 32 | 1,6 | 2 | 4 | 13 | 24 | 35,8 | |
Vật liệu inox 304
Inox 304 là một đại diện của thép không gỉ Austenit có chứa crom và niken làm thành phần. Inox 304 là loại thép không gỉ được sử dụng phổ biến nhất. Khi so sánh với các loại thép không gỉ khác, các tính chất cơ bản không bằng loại chuyên chống ăn mòn, nhưng không bị ăn mòn trong khí quyển, chống axit, chống ăn mòn rỗ, chống ăn mòn kẽ hở điểm đầu tiên là nó có khả năng chống ăn mòn.
Ngoài ra, nó có khả năng duy trì khả năng chịu nhiệt và độ bền trong cả môi trường nhiệt độ cao và nhiệt độ cực thấp như cường độ nhiệt độ cao, oxy hóa nhiệt độ cao, sunfua nhiệt độ cao, cường độ nhiệt độ thấp và nhiệt độ thấp độ dẻo dai. Khả năng chịu lực rất tốt cũng như khả năng chống mỏi và độ nhạy của rãnh ngay cả ở nhiệt độ phòng. Về khả năng gia công, mặc dù có một nhược điểm là quá trình gia công cứng xảy ra mạnh mẽ khi có lực tác dụng, nó rất dễ hàn, và trong tạo hình nguội nó là vật liệu thể hiện đặc tính xuất sắc trong cả việc kéo sâu và nhô ra … Vì những lý do này, nó là một vật liệu thường được gia công và là một trong những vật liệu có thể được nhìn thấy trong nhiều lĩnh vực công nghiệp.
Dưới đây là các đặc điểm liên quan đến cường độ như các thành phần của inox 304, trọng lượng riêng, độ bền kéo, cường độ, độ giãn dài, hệ số đàn hồi, cũng như các đặc tính nhiệt như nhiệt riêng, hệ số giãn nở nhiệt, dẫn nhiệt và nóng chảy điểm, điện trở và từ tính. Chúng ta cũng sẽ xem xét các tính chất vật lý của nó, bao gồm các đặc điểm vật lý như.
Đặc điểm và ứng dụng chính của Inox 304
Như đã đề cập ở phần đầu, Inox 304 (còn được gọi là thép 18Cr-8Ni, thép không gỉ 18 crom) là một trong những loại thép chịu nhiệt được sử dụng rộng rãi nhất trong số các vật liệu thép không gỉ. Nó được biết đến với khả năng chống ăn mòn, tính hàn và tính chất cơ học tốt. Nó được gọi là thép không gỉ 18-crôm vì nó chứa 18% hoặc nhiều hơn crôm, là thành phần kiểm soát khả năng chống ăn mòn. Lượng crom là một yếu tố ảnh hưởng đến khả năng chống gỉ.
Mặc dù nó là một vật liệu tuyệt vời về khả năng chống gỉ, chống ăn mòn, là chỉ số chống gỉ, và chống ăn mòn, thể hiện khả năng chống ăn mòn, các loại thép không gỉ với khả năng chống ăn mòn tuyệt vời đã làm giảm carbon trong Inox 304. Inox 304L là inox 304 vật liệu có thêm nitơ để tăng độ bền của nó, Inox 340LN, tăng niken và thêm molypden, Inox 316L với carbon giảm từ vật liệu, Inox 316LN và titan được thêm vào Inox 316Ti, khả năng chống lại axit sulfuric Có Inox 316J1 và Inox 316J2 với đồng được thêm vào, Inox 321 và Inox 347 với titan và niobium được thêm vào. Do đó, có thể nói bản thân Ino 304 là mác thép có khả năng chống ăn mòn cơ bản.
Nó có khả năng chịu nhiệt trong môi trường nhiệt độ cao, và có khả năng hàn tuyệt vời và khả năng gia công nguội trong quá trình gia công. Đặc biệt là về khả năng gia công nguội và khả năng hàn, nó là một trong những loại thép không gỉ hàng đầu. Gia công nguội là quá trình gia công cơ bản của kim loại như gia công ép và gia công bản vẽ ở nhiệt độ phòng, và chất lượng này là yếu tố ảnh hưởng lớn đến lĩnh vực ứng dụng vật liệu. Nếu khó gia công thì ngay cả một vật liệu có đặc tính tuyệt vời cũng không thể áp dụng được và rất khó để sử dụng rộng rãi.
Hàn là một trong những công nghệ gia công không thể thiếu để chế tạo các chi tiết và kết cấu, nhưng bản thân tính dễ hàn cũng là một trong những điểm quan trọng khi lựa chọn vật liệu kim loại. Khả năng làm việc này cũng ảnh hưởng đến một trong những loại thép không gỉ đa năng được sử dụng thường xuyên nhất. Nói về khả năng làm việc, vật liệu ban đầu cho Inox 303, dễ cắt hơn và có khả năng gia công được cải thiện bằng cách thêm lưu huỳnh, và Inox 303Cu, đã cải thiện hơn nữa khả năng gia công nguội, là Inox 304.
Khi hàn thép không gỉ, sự ăn mòn cố hữu được gọi là ăn mòn giữa các hạt có thể xảy ra ở phần được nung nóng, vì vậy nếu tính năng hàn được ưu tiên, nó có khả năng chống ăn mòn giữa các hạt chuyên biệt cho những loại thép không gỉ này.
Inox 304 rất ổn định ở nhiệt độ cao, nhưng khi được sử dụng trong môi trường đông lạnh, chúng có thể trở nên giòn và dễ gãy, nhưng Inox 304 được biết đến là một loại thép tuyệt vời cho độ dẻo dai khi đứt gãy trong môi trường như tôi.
Nhiều loại thép không gỉ Austenit được tạo ra bằng cách thêm và bớt các nguyên tố hợp kim khác nhau dựa trên Inox 304 này, vì vậy nó cũng là vật liệu ban đầu có thể nói là mẹ của các vật liệu Inox khác.
Trọng lượng riêng của SUS304
Vì nó là thép không gỉ Austenit có hàm lượng niken cao, nên nó có trọng lượng riêng cao và tỷ trọng là 7,93. Ở nhiệt độ cao, trong trường hợp kim loại, khoảng cách mạng tinh thể trở nên rộng hơn, do đó mật độ có xu hướng giảm. Trong số các loại thép không gỉ, thép không gỉ Austenit có xu hướng có trọng lượng riêng và tỷ trọng cao hơn, và thép không gỉ chứa một lượng lớn molypden cũng có giá trị cao.
Khả năng chống ăn mòn của SUS304
Có thể nói, hầu như không có vật liệu nào trong kim loại có thể chịu được sự ăn mòn trong bất kỳ môi trường nào, nhưng trong số đó, khả năng chống ăn mòn của Inox 304 như sau đối với từng môi trường.
Inox 304 có khả năng chống oxy hóa ở nhiệt độ cao và đôi khi được sử dụng khi cần độ bền ngay cả trong môi trường nhiệt độ cao. Đây là vật liệu có khả năng chống oxy hóa lên đến khoảng 900 ° C.
Khả năng chống nước biển và khả năng chống ăn mòn rỗ, nguyên nhân gây ra rỉ sét như lỗ thủng, có thể được nhìn thấy trong chỉ số ăn mòn rỗ, nhưng Inox 304 là khoảng 18Cr đến 20Cr và khả năng chống ăn mòn trong ứng dụng này không thể được mong đợi nhiều như vậy. Ăn mòn rỗ là một kẻ thù lớn đối với inox, và nó là một trong những hiện tượng mà inox vốn khó rỉ lại bị rỉ sét.
Bản thân Inox 304 kém hơn về khả năng chống ăn mòn so với loại thép cải tiến Inox 316. Ngoài ra, mặc dù nó có thể thua kém về số lượng so với các loại thép không gỉ chống ăn mòn cao khác, nhưng nhìn chung nó có khả năng chống ăn mòn ở nhiệt độ phòng tốt hơn so với vật liệu thép, như sẽ được mô tả sau. Vì có nhiều loại thép không gỉ với Inox 304 được cải tiến đã cải thiện khả năng chống ăn mòn, có thể nói rằng chúng thường được lựa chọn trong các môi trường cụ thể.
Axit axetic có thể chịu được bất kỳ nồng độ nào trong dung dịch dưới 80 ° C.
Trong trường hợp xút, là một chất kiềm mạnh, người ta nói rằng nó có thể chịu được nếu nồng độ từ 50% trở xuống và từ 80 ° C trở xuống. Nếu nó có tính kiềm yếu, nó có thể bị ăn mòn yếu và có thể chịu được.
Axit clohydric có đặc tính phá hủy màng thụ động, là nguồn chống ăn mòn cho thép không gỉ. Do đó, nồng độ axit clohydric được giới hạn trong khoảng 0,5% đến 1% hoặc thấp hơn ở nhiệt độ phòng và nếu vượt quá mức đó, sẽ bị ăn mòn. Về nguyên tắc, thép không gỉ là vật liệu không chịu được axit clohydric.
Axit sulfuric có tính kháng ở nồng độ 0,1% trở xuống và 95% trở lên ở 66 ° C trở xuống. Nó có đặc tính là nó có thể chống ăn mòn chỉ ở nồng độ thấp hoặc cao. Axit sunfuric ở nhiệt độ phòng có khả năng chống ăn mòn ở nồng độ 0,5% trở xuống và 90% trở lên.
Khả năng hàn và khả năng làm việc của SUS304
Như đã đề cập ở phần đầu, Inox 304 có khả năng hàn tốt, nhưng có khả năng ăn mòn giữa các hạt trên các bộ phận được áp dụng nhiệt. Để ngăn chặn những điều này, có những loại thép không gỉ như Inox 321 và Inox 347 là loại carbon thấp hoặc có thêm các nguyên tố hợp kim như titan và niobi, vì vậy tốt hơn là sử dụng chúng đúng cách tùy thuộc vào tình huống. Tuy nhiên, thép không gỉ chuyên về một số hiệu suất có thể kém hơn trong các hiệu suất khác. Trong trường hợp không có thép không gỉ đa năng, có thể nói loại thép không gỉ đa dụng này là một vật liệu cân bằng.
Mặc dù nó là một vật liệu có độ dẻo cao, gia công cứng rất mạnh trong quá trình gia công nguội, vì vậy nó sẽ tiếp tục đông cứng nhanh chóng với tỷ lệ gia công nguội khoảng 20%. Trong trường hợp Inox 304, độ cứng tăng lên khoảng 400HV khi thực hiện làm việc lạnh mạnh. Tăng độ cứng đồng nghĩa với việc tăng độ bền, nhưng ngược lại, quá trình gia công tự nó trở nên khó khăn.
Các vết nứt dọc có thể xảy ra song song với hướng vẽ sau một thời gian sau khi vẽ sâu. Hiện tượng này được gọi là nứt lão hóa. Có chỉ số Eriksen và thử nghiệm cốc hình nón làm chỉ số để xem tính chất vẽ sâu. Chỉ số Eriksen được sử dụng để đánh giá khả năng nhô ra của vật liệu bằng cách ấn một quả bóng thép vào tấm thép không gỉ và xem xét độ sâu đúc tối đa cho đến khi tấm này bị vỡ. Giá trị Eriksen của Inox 304 là 13,2 mm, cao hơn so với các loại thép không gỉ khác. Ví dụ: đối với Inox 305, giá trị Eriksen là 12,1 mm, đối với Inox 430 và inox 410L, là 9,0 mm và đối với SUSXM27 là 8,5 mm. Đối với phép thử cốc hình nón, giá trị càng nhỏ thì khả năng tạo khuôn càng tốt, nhưng Inox 304 cho thấy giá trị tương đối nhỏ là 38,0.
Thành phần hóa học của Inox 304
Inox 304 là một loại thép không gỉ có chứa cả crom và niken như các thành phần. Hàm lượng cacbon từ 0,08% trở xuống, tương đương với thép cacbon thấp. Nó là một thể loại chính thống của Inox, và có thể nói nó có độ cân bằng tuyệt vời vì các chi tiết sắc nét không dễ thấy.
Thành phần và cấu tạo của SUS304 (đơn vị:%)
| Vật liệu | NS | Si | Mn | P | NS | Ni | Cr |
| Inox 304 | 0,08 trở xuống | 1,00 trở xuống | 2,00 trở xuống | 0,045 trở xuống | 0,030 trở xuống | 8,00-10,50 | 18,00-20,00 |
Đặc tính cơ học của SUS304
Bảng dưới đây cho thấy các giá trị như độ bền kéo, ứng suất chống và độ cứng được quy định bởi tiêu chuẩn Inox 304. Cần lưu ý rằng hiện tượng cứng gia công xảy ra do tác dụng của lực trong quá trình gia công, có thể làm thay đổi các đặc tính. Sự đông cứng có thể xảy ra một cách cố ý để tăng khả năng chịu lực, nhưng nhìn chung rất khó.
| Vật liệu | Ứng suất N / mm 2 |
Độ bền kéo N / mm 2 |
Độ giãn dài (%) | Độ cứng | ||
| HBW | HRBS hoặc HRBW | HV | ||||
| Inox 304 | 205 trở lên | 520 trở lên | 40 trở lên | 187 trở xuống | 90 trở xuống | 200 trở xuống |
Tính chất vật lý của Inox 304
Các đặc tính nhiệt, điện và vật lý của Inox 304 được tóm tắt trong bảng dưới đây. Độ dẫn nhiệt có xu hướng tăng ở nhiệt độ cao, nhưng bản thân thép không gỉ cho thấy một giá trị thấp đáng kể cùng với hợp kim niken, hợp kim coban, v.v., bằng khoảng một phần tư so với thép nhẹ.
| Đặc tính | Loại thép không gỉ |
| Inox 304 | |
| Khối lượng riêng (g / cm3) | 7.93 |
| Nhiệt lượng riêng (J / kg ・ ℃) | 460-502 |
| Điện trở suất (10 -8 Ω ・ m) | 72-74 |
| Mô đun đàn hồi (10 3 N / mm 2 ) | 167-193 |
| Hệ số giãn nở nhiệt (10 -6 / ℃) | ~ 100 ° C. 25: 16,3 ~ 17,3 25 ~ 300 ° C.: 17,8 25 ~ 500 ° C.: 18 ~ 18,4 25 ~ 700 ° C.: 18,4 ~ 18,9 |
| Độ dẫn nhiệt (W / m ・ ℃) | 100 ℃: 16,3 ~ 25,1 500 ℃: 21,3 ~ 28,9 |
| Điểm nóng chảy (℃) | 1398-1453 |
Từ tính của Inox 304
Vì nó là thép không nhiễm từ nên nó không dính vào nam châm. Một số trong số chúng được gia công nguội và có thể có từ tính. Đối với các ứng dụng mà từ tính là một vấn đề, độ từ thẩm được sử dụng làm tài liệu tham khảo. Độ thấm được sử dụng như một tham số để chỉ mức độ nhạy cảm với từ hóa, và giá trị này càng lớn thì độ từ hóa càng mạnh ngay cả trong từ trường yếu.
Một môi trường có vấn đề với từ tính yêu cầu độ từ thẩm từ xấp xỉ 1,02 (μ) trở xuống và các linh kiện điện tử yêu cầu giá trị số từ 1,010 trở xuống, nhưng SUS304 yêu cầu độ từ thẩm (μ) sau khi xử lý hóa rắn phải ≤. Nó sẽ là 1.005. Ở trạng thái cuộn, độ từ thẩm (μ) là 2,6, nhưng độ từ thẩm (μ) này tăng lên do làm việc nguội và hàn.
Khả năng chịu nhiệt, độ bền nhiệt đô cao, độ bền nhiệt độ tháp của Inox 304
Bản thân Inox cũng là thép chịu nhiệt, nhưng vật liệu tiêu chuẩn chuyên dụng là SUH, nói đến vật liệu thép chuyên chịu nhiệt thì vẫn là SUH, tuy nhiên thép không gỉ có khả năng chịu nhiệt rất tốt so với các vật liệu làm từ thép khác. Nó là một vật liệu cần có.
Ngoài khả năng chịu nhiệt tốt, nó có thể chịu được nhiệt độ nhiều lần lên đến 870 ° C.
Về độ bền nhiệt độ cao, có thể nói độ bền kéo của vật liệu làm từ Inox 304 nhỏ hơn so với các loại thép không gỉ khác lên đến khoảng 600 ° C. Về độ bền nhiệt độ thấp, có dữ liệu nghiên cứu cho thấy độ bền kéo tăng lên và độ giãn dài giảm nhẹ khi nhiệt độ giảm, nhưng ngay cả ở -196 ° C, nó cho thấy độ giãn dài khoảng 40%.
Vật liệu tương đương của Inox 304
Là vật liệu tiêu chuẩn tương thích tương tự, tiêu chuẩn ASTM S30400, tiêu chuẩn EN 1.4301 và tiêu chuẩn ISO X5CrNi18-9 đều là vật liệu tiêu chuẩn nước ngoài tương đương với Inox 304.
Lưu ý: Tất cả thông tin được cung cấp trên trang web này được cung cấp trên cơ sở “nguyên trạng” và “thường được sử dụng trong sản xuất” và bạn đồng ý rằng bạn tự chịu rủi ro khi sử dụng thông tin đó. Trang web này không bảo đảm và không chịu trách nhiệm hoặc trách nhiệm pháp lý về tính chính xác hoặc hoàn chỉnh của thông tin và tài liệu có trong trang web này. Trong bất kỳ trường hợp nào, trang web sẽ không chịu trách nhiệm hoặc nghĩa vụ dưới bất kỳ hình thức nào đối với bất kỳ khiếu nại, thiệt hại, tổn thất, chi phí, chi phí hoặc nghĩa vụ nào (bao gồm nhưng không giới hạn, bất kỳ thiệt hại trực tiếp hoặc gián tiếp nào do mất lợi nhuận, gián đoạn kinh doanh hoặc mất thông tin ) kết quả hoặc phát sinh trực tiếp hoặc gián tiếp từ việc bạn sử dụng hoặc không thể sử dụng trang web này
